首页
关于华申
产品展示
合金刚系列
不锈刚系列
黄铜系列
铝合金系列
钛合金系列
凌得防松系列
表面处理系列
板手系列
尼龙系列
荣誉证书
新闻资讯
联系我们
英语
中文简体
表面处理系列
首页
表面处理系列
合金刚系列
不锈刚系列
黄铜系列
铝合金系列
钛合金系列
凌得防松系列
表面处理系列
板手系列
尼龙系列
分类:表面处理系列
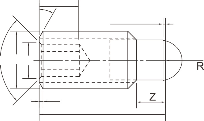
H032-1合金钢园柱园头(镀银)
057486900880
13957439600
在线咨询
二维码